氨法脫硫技術
發布時間:2024-6-7 15:08:29 閱讀:740 次

氨法脫硫技術
1.1技術簡介
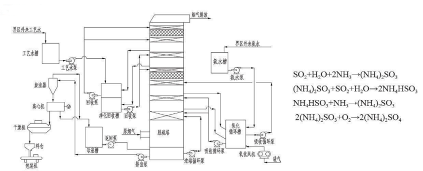
煤、石油中含有一定含量的硫,高溫燃燒后產生硫氧化物(SO2和SO3),對大氣環境造成嚴重污染,氨法脫硫技術以 NH3和SO2反應為基礎,在多功能煙氣脫硫吸收塔中,利用氨基吸收劑吸收煙氣中的SO2生成亞硫酸(氫)銨,并在富氧條件下將亞硫酸(氫)銨氧化成硫酸銨,再利用熱源(煙氣、蒸汽熱量)將(NH4) 2S04溶液濃縮、過飽和結晶析出固體,過濾干燥后得到脫硫副產品。
1.2工藝流程
煙氣系統:煙氣進入脫硫吸收塔,經降溫、洗滌、除霧后,進入煙囪達標排放。
吸收系統:吸收形成的亞硫酸(氫)銨氧化成硫酸銨,硫酸銨溶液將煙氣溫度降低并蒸發水分,自身濃度得到進一步提高。
硫銨系統:采用飽和結晶工藝,吸收系統產生一定固含量的硫酸銨漿液,再進行固液分離、干燥和包裝,產出商品硫酸銨;
采用蒸發結晶工藝,則是設置蒸發結晶系統對吸收系統產生的硫酸銨溶液進行蒸發結晶,再進行固液分離、干燥和包裝,產出商品硫酸銨。
1.3適用領域
① 燃料含硫量在0.2%~5%之間;
② 要求的脫硫效率在95%以上;
③ 裝置周邊地區有氨源(液氨、氨水、廢氨水);
④ 適用硫酸銨化肥的鹽堿地區。
1.4性能特點
① SO2≤35mg/Nm3,塵含量≤5mg/Nm3,滿足最新的超低排放標準要求;
② 氨逃逸≤3mg/Nm3,避免二次污染;
③ 氨回收率≥99%。
